| Status de disponibilidade: | |||||||||
|---|---|---|---|---|---|---|---|---|---|
| Quantidade: | |||||||||
| Esses foles de precisão múltipla são usados em válvulas de tubos, instrumentos de teste e sistemas de controle onde a precisão, a flexibilidade e o desempenho à prova de vazamentos são realmente importantes. Eles funcionam como vedações de pressão pequenas e flexíveis ou absorvedores de movimento, ajudando a transmitir, equilibrar ou isolar mudanças de pressão em sistemas delicados. Nossa fábrica produz conjuntos de foles de metal há anos, com foco em desempenho confiável e controle prático de custos, em vez de apenas especificações sofisticadas. Se você precisa de foles para válvulas de alta pressão, medidores de vácuo ou instrumentos de teste de precisão, podemos fornecer o tipo certo e garantir que ele se adapte à função. | |||||||||
Itens padrão e de estoque
Mantemos em estoque uma seleção prática de foles de precisão para amostragem rápida e pequenas tiragens de produção. Abaixo estão as especificações comuns que você encontrará disponíveis no mercado ou prontas em curto prazo:
| Faixa/notas típicas | do item |
|---|---|
| Materiais (estoque) | Bronze de estanho (CuSn), Bronze de berílio (CuBe), Latão (CuZn), Aço inoxidável (SS304, SS316L) |
| Diâmetro | ~6–100 mm (tamanhos padrão em estoque; menor ou maior mediante solicitação) |
| Comprimento/Curso | Compatível com os requisitos de curso da válvula ou do instrumento |
| Camadas / Camadas | 1–5 camadas comuns (multicamadas melhoram a resistência à fadiga) |
| Tipos de fabricação | Formado (hidroformado/formado em rolo), fole soldado, fole soldado nas bordas |
| Acessórios finais | Extremidades abertas, niples soldados, extremidades roscadas, flanges (tamanhos comuns em estoque) |
| Pressão/Temperatura (típica) | Pressão baixa a média para bronze/latão; classificações mais altas com SS ou ligas especiais; faixa de temperatura depende do material |
| Teste | Verificação básica de vazamento e inspeção dimensional realizada em itens de estoque |
Notas e pontos sinceros:
nossos foles de estanho-bronze e latão são frequentemente usados em trabalhos de OEM de instrumentos e válvulas onde é necessária condutividade ou resistência moderada à corrosão; o bronze de berílio é mantido para aplicações que exigem maior resistência e elasticidade, mas é mais controlado devido ao manuseio da liga; o estoque de aço inoxidável é para casos de corrosão e temperatura mais altas. O estoque mantém o prazo de entrega baixo, mas se sua especificação for muito incomum, geralmente passaremos para uma curta execução de personalização.
Opções de personalização
Diga-nos o que você realmente precisa: classificação de pressão, número de ciclos, meio e detalhes de instalação, e proporemos a construção certa. As opções de personalização típicas incluem:
1. Seleção de materiais
Bronze de estanho (CuSn), boa resistência ao desgaste e desempenho geral à corrosão; comumente usado em instrumentos e foles industriais em geral.
Bronze de berílio (CuBe), de alta resistência, boa resistência à fadiga, frequentemente escolhido onde são necessárias propriedades não magnéticas ou de alta elasticidade;
observação: o manuseio e o controle de ligas de berílio exigem segurança rigorosa no local de trabalho e discutiremos isso com você.
Aço inoxidável (SS304, SS316L.ect), melhor para temperaturas mais altas, ambientes corrosivos e faixas de pressão mais amplas; disponível em construções soldadas ou de camadas múltiplas.
Ligas de alta elasticidade e outros materiais especiais, como 1Cr18Ni9TiG, operam na faixa de temperatura de 194℃~+400℃. Eles possuem alta resistência à fadiga por flexão e resistência à corrosão e apresentam bom desempenho de soldagem. Eles podem ser usados como elementos de medição, vedação, conexão e compensação em meios corrosivos.
Latão (CuZn), econômico para aplicações de instrumentos de baixa a média pressão; usinagem e conformação mais fáceis.

2. Camada / Parede e Geometria
Camada única versus camada múltipla (típico de 2 a 5 camadas). Mais camadas → melhor resistência à fadiga e controle de flexibilidade, mas custo mais elevado e volume interno ligeiramente reduzido.
Contagem e profundidade da ondulação — afeta a rigidez e o movimento permitido. Combinaremos o design do corrugado com suas metas de curso e ciclo de vida.

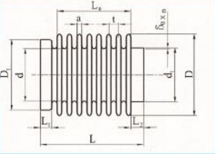
| D | Diâmetro externo |
| d | Diâmetro interno |
| δ₀ | Espessura de parede de fole de camada única |
| t | Tom |
| a | Espessura da Onda |
| n | Número de camadas de fole |
| L | Comprimento total |
| eu₀ | Comprimento Efetivo |
| L₁ | Comprimento final do encaixe interno |
| L₂ | Comprimento da extremidade externa |
| D₁ | Diâmetro de encaixe interno |
| d₁ | Diâmetro de montagem externo |
3. Abordagem de fabricação
Formado: adequado para determinados tamanhos e designs de paredes finas.
Foles soldados: precisos, estanques, comuns para aplicações de instrumentos e vácuo.
Borda soldada: usado onde são necessárias total integridade axial e capacidade de pressão.
4. Conexões finais e acessórios
Niples soldados, extremidades roscadas, flanges ou adaptadores específicos do cliente. Podemos soldar flanges ou adaptar adaptadores ao seu desenho.
5. Teste e Certificação
Teste de vazamento de hélio, teste de ciclo de pressão/fadiga, certificados de materiais (por exemplo, traços ASTM/ISO). Se você precisar de normas específicas (AS9100, PED, ISO 9001) ou relatórios de testes para qualificação, nós planejaremos isso na oferta.
6.Embalagem, rotulagem e rastreabilidade
Numeração de lote, rastreabilidade de material, referências EDI/PO, embalagem OEM – tudo disponível para pedidos de grande volume.
Aplicações/Indústrias Atendidas
Esses foles multiplicadores de precisão atendem a qualquer aplicação onde seja necessário movimento vedado e repetível ou isolamento de pressão. Os setores e usos típicos incluem:
Controle de válvula e fluxo, compensação de atuador, balanceamento de pressão em válvulas de controle para estações de tratamento de energia, produtos químicos e água.
Instrumentos de teste e medição, manômetros, equipamentos de calibração, instrumentos de medição onde o desempenho de vazamentos e a repetibilidade são importantes.
Sistemas de vácuo e criogênicos, foles soldados para movimento estanque em câmaras de vácuo e instrumentação.
Equipamentos de energia e produtos químicos, compensando a expansão térmica e protegendo transmissores e sensores em meios corrosivos.
Máquinas ferroviárias e pesadas, componentes usados em sistemas de material rodante e válvulas para serviços pesados; observe nosso histórico de colaboração existente com CRRC e outros parceiros da indústria.
Dispositivos de precisão OEM, conjuntos de instrumentos médicos, dispositivos de automação industrial onde foles de tamanho pequeno e alta precisão são integrados.
Algumas aplicações necessitam de certificações ou limpeza muito específicas (por exemplo, vácuo ou médica). Se for esse o seu caso, sinalize com antecedência para que possamos confirmar a viabilidade e os testes necessários.
