Índice
O que são grampos de escape em U-Bolt
Tipos e materiais comuns
Como medir o tamanho da grampo de você antes de comprar
Como instalar e usar grampos de escape em U-Bolt
Quão apertados os grampos de parafusos em U devem estar nos tubos de escape?
Os grampos de parafusos em U podem parar de vazamentos de exaustão?
É reutilizável dos grampos em U?
Grampos de parafuso em U vs. outros tipos de grampos
Aplicações em ambientes automotivos e industriais
Pedidos em massa: o que os compradores devem considerar
Pensamentos finais
O que são grampos de escape em U-Bolt
Quando você trabalha com sistemas de escape, um dos componentes mais simples, mas mais importantes, que você encontrará é o grampo de escape em U-Bolt . O design é direto: um parafuso em forma de U, uma sela e duas nozes. No entanto, essa pequena parte desempenha um papel fundamental em manter os tubos conectados, selados e seguros.

Nos veículos, os tubos de escape são constantemente expostos ao calor, vibração e expansão. Sem uma conexão confiável, os tubos se soltam, os vazamentos se desenvolvem e o desempenho sofre. É por isso que o grampo em U ainda é amplamente utilizado em carros de passageiros, caminhões, ônibus, motocicletas, máquinas agrícolas e até geradores estacionários.
Embora outros designs de grampos tenham aparecido ao longo dos anos, os grampos de parafusos em U permanecem populares porque são econômicos, fáceis de usar e comprovados por durar.
Tipos e materiais comuns
Nem todos os grampos de escape em U-Bolt são construídos da mesma forma. Dependendo de onde e de como você os usa, você precisará escolher o material e a força certos.
Grampos de aço banhados a zinco : estes são do tipo mais comum, acessíveis e suficientes para muitos reparos diários. O revestimento oferece resistência básica à corrosão.
Grampos de parafuso em U aço inoxidável : mais duráveis, projetados para escapamentos de alto desempenho ou ambientes severos. Eles resistem à ferrugem, o que é importante se você estiver em regiões com estradas salgadas ou climas úmidos.
Grampos reforçados de serviço pesado : feitos de aço mais espesso, projetados para caminhões, ônibus e sistemas de escape industriais, onde a vibração é mais intensa.
Para distribuidores e mecânicos, entender essas diferenças ajuda a recomendar o grampo certo para seus clientes. Para compradores em massa, a escolha do material correto também reduz as reivindicações de garantia e aumenta a satisfação do cliente.
Aço banhado por zinco
Aço inoxidável

Aço mais espesso
Como medir o tamanho da grampo de você antes de comprar
Uma das perguntas mais comuns de pesquisa é: como medir o tamanho da fixação de você? O processo é simples, mas também é uma das causas mais frequentes de ordenar erros.
Você sempre deve medir o diâmetro externo (OD) do seu tubo de escape , não o interior. Se o seu tubo mede 2,5 polegadas OD, você precisará de um grampo de 2,5 polegadas. Uma pergunta frequente do PAA é: Qual é o tamanho da grampo em U para um tubo de escape de 2,5 polegadas? -e a resposta é direta: um grampo de 2,5 polegadas.
Outro detalhe que vale a pena verificar é o tamanho da linha dos parafusos. Enquanto o diâmetro do tubo decide o tamanho do grampo, o diâmetro da rosca e o tom determinam se suas ferramentas funcionarão com eficiência durante a instalação. Para oficinas que alternam entre métrica e imperial, manter um gráfico de conversão evita confusão.

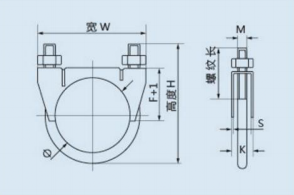
Grampo de parafuso U
| Tipo de parâmetro técnico | Tamanho Ø | Altura H | Largura W | Comprimento da linha L | F | m | K | S |
A
| 36 | 63 | 63 | 25 | 28.5 | M8 | 15 | 2 |
| 38 | 64 | 64 | 25 | 29 | M8 | 15 | 2 |
| 42 | 65 | 70 | 25 | 31 | M8 | 15 | 2 |
| 45 | 73 | 73 | 30 | 33 | M8 | 15 | 2 |
| 48 | 77 | 76 | 30 | 34 | M8 | 15 | 2 |
| 50 | 79 | 78 | 30 | 36 | M8 | 15 | 2 |
| 54 | 83 | 82 | 30 | 37 | M8 | 15 | 2 |
| 58 | 87 | 86 | 30 | 40 | M8 | 15 | 2 |
| 63.5 | 75 | 92 | 30 | 43 | M8 | 15 | 2 |
| 65 | 94 | 93 | 30 | 44 | M8 | 15 | 2 |
| 70 | 95 | 100 | 40 | 43 | M8 | 15 | 2 |
| 73 | 110 | 102 | 40 | 43 | M8 | 15 | 2 |
B
| 54 | 89 | 87 | 40 | 32 | M10 | 17 | 3 |
| 94 | 128 | 128 | 45 | 60 | M10 | 21 | 3 |
| 106 | 150 | 138 | 45 | 65 | M10 | 21 | 3 |
Mais tamanho e material podem ser fornecidos de acordo com os requisitos dos clientes. Dados acima apenas para referência.
Como instalar e usar grampos de escape em U-Bolt
Muitos compradores também perguntam: Como instalar grampos de escapamento em U-Bolt? E como usar os grampos de parafusos em U corretamente?
O processo de instalação não é complicado, mas alguns detalhes fazem toda a diferença:
Deslize o grampo sobre a junta do tubo antes de apertar.
Posicione a sela uniformemente na articulação.
Aperte as duas nozes gradualmente , alternando os lados para manter o nível do grampo.
Verifique se há vazamentos assim que o motor estiver em execução.
Quão apertados os grampos de parafusos em U devem estar nos tubos de escape?
Você deve apertar até que a articulação esteja segura, mas não esmagada. O excesso de força pode deformar o tubo, restringir o fluxo ou até causar rachaduras. Uma boa regra é parar quando o grampo parecer confortável e o tubo não muda mais.
Os grampos de parafusos em U podem parar de vazamentos de exaustão?
Sim, eles podem selar pequenos vazamentos se instalados corretamente. No entanto, se o tubo estiver severamente corroído ou desalinhado, o grampo sozinho não resolverá o problema - você pode precisar substituir o tubo ou usar um grampo de banda para uma vedação mais limpa.
É reutilizável dos grampos em U?
Esta é outra pergunta frequente do comprador. Em teoria, você pode reutilizá -los se o grampo não for deformado ou enferrujado. Na prática, é melhor usar novos grampos ao reinstalar os tubos de escape, especialmente em uma oficina profissional. Eles são baratos e novos grampos garantem uma espera mais forte.
Grampos de parafuso em U vs. outros tipos de grampos
Os compradores costumam comparar grampos de parafusos em U com outras opções e perguntam: Qual é a diferença entre um grampo em U e um grampo de banda?
Grampos de parafusos em U : Baixo custo, aderência forte, amplamente disponível. Eles podem prejudicar um pouco o tubo, o que é bom para reparos padrão.
Grampos de banda : forneça uma vedação mais suave sem distorcer o tubo. Freqüentemente usado quando uma junta limpa é importante, como nas instalações de escape de pós -venda.
Grampos de banda em V : opção de ponta, geralmente encontrada em veículos de desempenho. Eles permitem desmontagem rápida, mas têm um custo mais alto.
Se você estiver executando um workshop ou distribuindo peças para veículos do dia a dia, os grampos de parafusos em U geralmente são a escolha mais prática. Os grampos de banda e banda em V são mais adequados para aplicações especializadas.
Grampo de banda de escape
V Band Band
Aplicações em ambientes automotivos e industriais
Enquanto a maioria das pessoas associa grampos de parafusos em U aos sistemas de escape de carros, elas também são comuns em outros setores.
Carros e caminhões de passageiros : usados em conexões de escape originais e substituições de pós -venda.
Veículos pesados : caminhões, ônibus e máquinas agrícolas, onde vibração e carga são mais altas.
Geradores e motores industriais : sistemas de escape estacionários que requerem juntas seguras.
Equipamento de construção : escavadeiras, escavadeiras e outras máquinas que operam em ambientes empoeirados e de alta vibração.
Devido a essa versatilidade, os grampos de parafusos em U são sempre procurados-não apenas para reparos de carros de bricolage, mas também para distribuidores que atendem a vários setores.
Pedidos em massa: o que os compradores devem considerar
Se você é um distribuidor, fornecedor de garagem ou atacadista, a compra de grampos de escape em U-Bolt a granel requer mais do que apenas escolher o tamanho certo. Você também vai querer considerar:
Consistência do material
Disponibilidade da faixa de tamanho
Qualidade de parafuso e rosca - parafusos mais fortes significam menos falhas durante o aperto, geralmente fornecemos dois estilos básicos de porca padrão

Embalagem -embalada, cheia de granel ou ensacada individualmente, dependendo do seu modelo de vendas.
Personalização - selas mais grossas, parafusos estendidos ou marca estampada, se você quiser diferenciação no mercado local.
Muitas vezes vemos pedidos repetidos de distribuidores que testaram pequenos lotes e posteriormente expandidos para soluções personalizadas. Ao lidar diretamente com um fabricante, você pode alinhar a produção às suas necessidades de mercado.
Pensamentos finais
Então, os grampos de exaustão em U ainda são relevantes no mercado atual? A resposta é sim. Eles continuam sendo uma das soluções mais econômicas e amplamente confiáveis para conectar tubos de escape.
Se você souber como medir o tamanho da fixação de u , entenda como instalá -los e usá -los corretamente e escolher o material certo, esses grampos atenderão bem a seus clientes. Para compradores em massa, o trabalho diretamente com uma fábrica garante fornecimento consistente, controle de qualidade e a opção de solicitar especificações personalizadas.
Se você está pensando em pedidos em massa, dê uma olhada em nossos grampos de escape em U-Bolt, explore nossa coleção mais ampla de grampos de escape ou visite nossa página inicial da fábrica para discutir as opções de suprimento personalizado para o seu negócio.